417

专利技术,适用高精度高平稳运动控制保持力矩可达0.21N-m
常用标准电机参数,更多选择请访问英文官网
|
型号 |
NEMA |
步距角 |
极性 |
机身长度 |
额定电流 (A) |
保持力矩 oz-in (Nm) |
电阻 (欧姆) |
转动惯量 oz-in2 |
整机重量 lbs |
引线数量 |
|
417-09-03 |
17 |
0.9° |
双极 |
0.93(23.6) |
1.20 |
12.0(0.08) |
3.00 |
0.05 |
0.30 |
4 |
|
417-09-18 |
17 |
0.9° |
双极 |
0.93(23.6) |
0.60 |
12.0(0.08) |
10.00 |
0.05 |
0.30 |
4 |
|
417-11-03 |
17 |
0.9° |
双极 |
1.10(27.9) |
1.20 |
16.0(0.11) |
3.00 |
0.07 |
0.31 |
4 |
|
417-11-18 |
17 |
0.9° |
双极 |
1.10(27.9) |
0.60 |
16.0(0.11) |
10.00 |
0.07 |
0.31 |
4 |
|
417-13-06 |
17 |
0.9° |
双极 |
1.38(35.1) |
0.80 |
20.4(0.14) |
6.60 |
0.11 |
0.41 |
4 |
|
417-13-13 |
17 |
0.9° |
双极 |
1.38(35.1) |
0.80 |
28.4(0.20) |
13.00 |
0.11 |
0.41 |
4 |
|
417-15-08 |
17 |
0.9° |
双极 |
1.54(39.1) |
2.00 |
30.0(0.21) |
0.70 |
0.13 |
0.53 |
4 |
|
417-15-12 |
17 |
0.9° |
双极 |
1.54(39.1) |
0.60 |
30.0(0.21) |
12.00 |
0.13 |
0.53 |
4 |
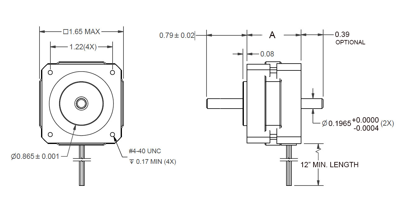
电机外形尺寸(单位:英寸)

