5618
完美适应高速应用保持力矩可达1.24N-m
常用标准电机参数,更多选择请访问英文官网
|
型号 |
NEMA |
步距角 |
接线 |
机身长度 |
额定电流 (A) |
保持力矩 oz-in (Nm) |
电阻 (欧姆) |
转动惯量 oz-in2 |
整机重量 lbs |
引线数量 |
|
5618X-09S |
23 |
1.8° |
串联 |
1.62(41.1) |
0.35 |
76.5(0.54) |
40.00 |
0.30 |
0.80 |
4 |
|
5618X-09P |
23 |
1.8° |
并联 |
1.62(41.1) |
0.70 |
56.0(0.40) |
10.00 |
0.30 |
0.80 |
4 |
|
5618S-01P |
23 |
1.8° |
并联 |
2.01(51.1) |
1.40 |
106.0(0.75) |
2.40 |
0.60 |
1.20 |
4 |
|
5618S-01S |
23 |
1.8° |
串联 |
2.01(51.1) |
0.70 |
106.0(0.75) |
9.40 |
0.60 |
1.20 |
4 |
|
5618M-08P |
23 |
1.8° |
并联 |
2.25(57.2) |
3.10 |
131.7(0.93) |
0.70 |
0.74 |
1.40 |
4 |
|
5618M-08S |
23 |
1.8° |
串联 |
2.25(57.2) |
1.54 |
131.7(0.93) |
2.70 |
0.74 |
1.40 |
4 |
|
5618L-52S |
23 |
1.8° |
串联 |
3.03(77.0) |
2.17 |
175.0(1.24) |
2.40 |
1.20 |
2.05 |
4 |
|
5618L-52P |
23 |
1.8° |
并联 |
3.03(77.0) |
4.34 |
175.0(1.24) |
0.60 |
1.20 |
2.05 |
4 |
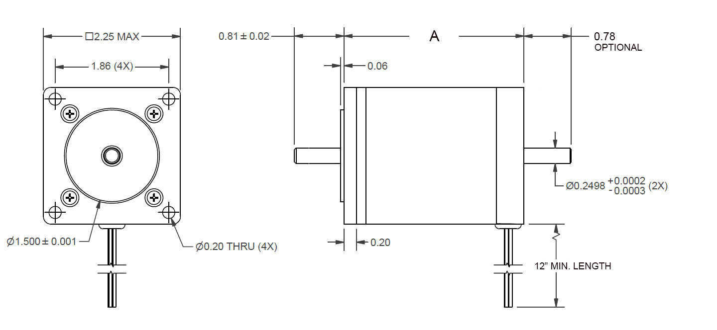
电机外形尺寸(单位:英寸)

