G3718V
改进的冷却设计与0.9°电机一样拥有高精度高平稳性
保持力矩可达0.18N-m,高于同类型电机50%
常用标准电机参数,更多选择请访问英文官网
|
型号 |
NEMA |
步距角 |
极性 |
机身长度 in (mm) |
额定电流 (A) |
保持力矩 oz-in (Nm) |
电阻 (欧姆) |
转动惯量 oz-in2 |
整机重量 lbs |
引线数量 |
|
G3718V-01 |
17 |
1.8° |
双极 |
0.90(22.86) |
0.44 |
25.0(0.18) |
18.00 |
0.08 |
0.29 |
4 |
|
G3718V-02 |
17 |
1.8° |
双极 |
0.90(22.86) |
0.65 |
25.0(0.18) |
8.42 |
0.08 |
0.29 |
4 |
|
G3718V-03 |
17 |
1.8° |
双极 |
0.90(22.86) |
1.20 |
25.0(0.18) |
2.33 |
0.08 |
0.29 |
4 |
|
G3718V-04 |
17 |
1.8° |
双极 |
0.90(22.86) |
1.60 |
25.0(0.18) |
1.39 |
0.08 |
0.29 |
4 |
|
G3718V-05 |
17 |
1.8° |
双极 |
0.90(22.86) |
0.30 |
25.0(0.18) |
33.13 |
0.08 |
0.29 |
4 |
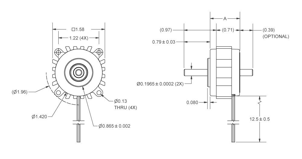
电机外形尺寸(单位:英寸)

