ZH417

专利技术,适用高精度高平稳运动控制高步距精度,近似零定位力矩
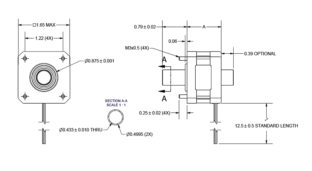
大内径空心轴,孔径可达11mm
保持力矩可达0.24N-m
常用标准电机参数,更多选择请访问英文官网
|
型号 |
NEMA |
步距角 |
极性 |
机身长度 |
额定电流 (A) |
保持力矩 oz-in (Nm) |
电阻 (欧姆) |
转动惯量 oz-in2 |
整机重量 lbs |
引线数量 |
|
ZH417-11-03 |
17 |
0.9° |
双极 |
1.10(27.9) |
1.20 |
17.2(0.12) |
2.85 |
0.12 |
0.35 |
4 |
|
ZH417-11-06 |
17 |
0.9° |
双极 |
1.10(27.9) |
0.80 |
17.2(0.12) |
7.35 |
0.12 |
0.35 |
4 |
|
ZH417-11-09 |
17 |
0.9° |
双极 |
1.10(27.9) |
0.80 |
17.2(0.12) |
10.23 |
0.12 |
0.35 |
4 |
|
ZH417-11-18 |
17 |
0.9° |
双极 |
1.10(27.9) |
0.80 |
17.2(0.12) |
10.66 |
0.12 |
0.35 |
4 |
|
ZH417-17-01 |
17 |
0.9° |
双极 |
1.70(43.2) |
0.50 |
33.5(0.24) |
18.60 |
0.14 |
0.54 |
4 |
|
ZH417-17-02 |
17 |
0.9° |
双极 |
1.70(43.2) |
1.40 |
33.5(0.24) |
3.35 |
0.14 |
0.54 |
4 |
|
ZH417-17-03 |
17 |
0.9° |
双极 |
1.70(43.2) |
1.10 |
33.5(0.24) |
5.42 |
0.14 |
0.54 |
4 |
|
ZH417-17-04 |
17 |
0.9° |
双极 |
1.70(43.2) |
0.70 |
33.5(0.24) |
13.70 |
0.14 |
0.54 |
4 |
电机外形尺寸(单位:英寸)

