3518
完美适应有限安装空间保持力矩可达0.14N-m
常用标准电机参数,更多选择请访问英文官网
|
型号 |
NEMA |
步距角 |
极性 |
机身长度 in (mm) |
额定电流 (A) |
保持力矩 oz-in (Nm) |
电阻 (欧姆) |
转动惯量 oz-in2 |
整机重量 lbs |
引线数量 |
|
3518X-08 |
14 |
1.8° |
双极 |
1.02(26.0) |
0.35 |
7.5(0.05) |
8.50 |
0.06 |
0.25 |
4 |
|
3518M-07 |
14 |
1.8° |
双极 |
1.34(34.0) |
0.80 |
20.0(0.14) |
7.50 |
0.08 |
0.35 |
4 |
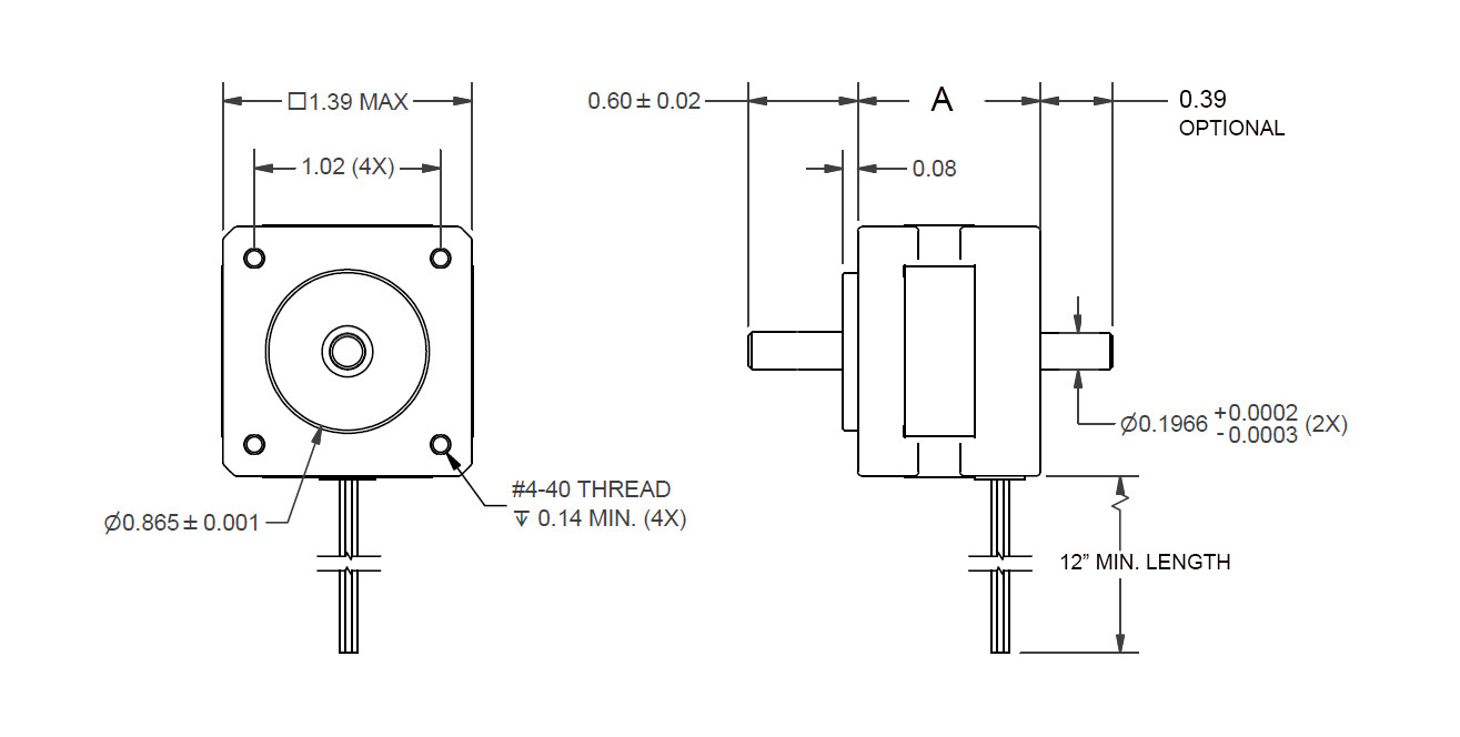
电机外形尺寸(单位:英寸)

